MODELLING PORPOISING IN F1 CARS
How does PORPOISING occur?


GIF showing PORPOISING in a Ferrari car
Credit: F1 TV


A Simplified model to study PORPOISING


From Simulink to simulate this spring-mass equation

From CFD Simulations
Ride Height


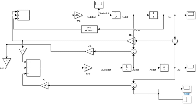
Porpoising Motion Analysis using SIMULINK


SIMULINK EQUIVALENT OF THE EQUATIONS USED TO MODEL THE PORPOISING MOTION


Displacement of car's body from mean position (m) vs time (s)
Porpoising starts at this point
Vibrations are damped down due to dampers(controlled by "c" damping co-efficient) used in the model
Contact
Connect
psstefen6@gmail.com
© 2025. All rights reserved.